
Система пожаротушения тонкораспыленной водой использует воду в качестве основного огнетушащего вещества. Под воздействием высокого давления через специальные распылители (оросители) формируется мелкодисперсный туман, который эффективно подавляет или локализует огонь. Это экологически безопасная система, отличающаяся высокой эффективностью тушения и широкой сферой применения.
По типу используемых распылителей системы делятся на открытые (дренчерные) и закрытые (спринклерные).
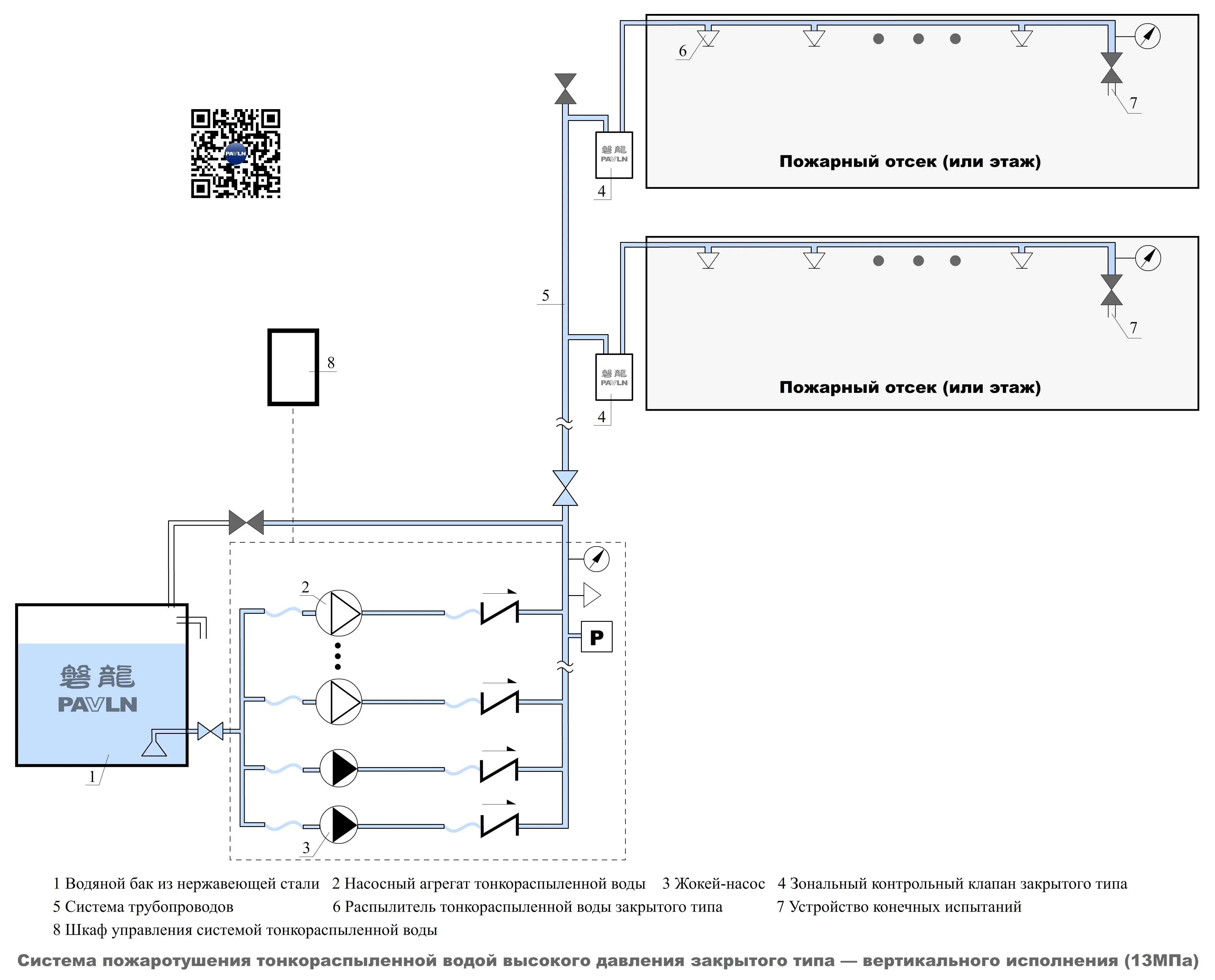
В закрытой системе пожаротушения тонкораспыленной водой используются распылители, герметично закрытые термочувствительным элементом (например, стеклянной колбой или плавкой вставкой). При возникновении возгорания тепловое воздействие вызывает расширение жидкости внутри стеклянной колбы, что приводит к её разрушению и разгерметизации устройства. После этого вода, находящаяся в системе под давлением, мгновенно распыляется в виде тумана, обеспечивая ликвидацию пожара.
Точность срабатывания и минимизация последствий:
Локальная активация: Закрытые распылители срабатывают независимо друг от друга по сигналу термоэлемента. Огнетушащее вещество выпускается только над очагом возгорания, что исключает ненужный пролив во всей зоне.
Минимальное вмешательство: Сводится к минимуму воздействие на оборудование, документацию и рабочие процессы в зонах, не затронутых огнем.
Сверхбыстрый отклик и эффективное подавление:
Высокая чувствительность: Термочувствительные элементы распылителей мгновенно реагируют на тепло, обеспечивая быстрый запуск на ранней стадии пожара.
Интенсивное облако тумана: Тонкораспыленная вода высокого давления создает в зоне горения облако высокой концентрации, которое быстро подавляет пламя за счет мощного охлаждения и вытеснения кислорода.
Низкий риск ущерба от пролива воды:
Экономный расход: Благодаря локальному выпуску и быстрому испарению сверхмелких капель, расход воды минимален, что предотвращает значительный ущерб от намокания.
Защита ценностей: Идеальное решение для защиты дорогостоящего электронного оборудования, прецизионных приборов и шкафов управления.
Экономичность и ремонтопригодность:
Оптимизация затрат: Система не требует установки громоздких групп узлов управления (для каждой зоны), что делает начальные инвестиции более конкурентоспособными.
Простота обслуживания: Техническое обслуживание и замена распылителей аналогичны традиционным спринклерным системам, что обеспечивает высокую надежность.
Постоянный мониторинг: Трубопроводная сеть постоянно находится под давлением, что позволяет легко отслеживать возможные утечки.
Безопасность и экологичность:
Чистая среда: В качестве огнетушащего вещества используется чистая вода. Она нетоксична, безвредна и не ухудшает видимость при эвакуации персонала.
Зеленые технологии: Отсутствие химических добавок и предельно низкое потребление воды делают систему максимально дружелюбной к окружающей среде.
Влажная (водозаполненная) система пожаротушения тонкораспыленной водой закрытого типа в основном работает независимо от системы пожарной сигнализации. Тем не менее, она поддерживает дистанционный ручной пуск через систему сигнализации и передает соответствующие сигналы обратной связи на пульт пожарного мониторинга.
Активация: При возникновении пожара термочувствительный элемент закрытого распылителя разрушается под воздействием тепла, активируя выпуск тонкораспыленной воды для тушения.
Падение давления: Поскольку расход воды через распылитель превышает производительность жокей-насоса (насоса поддержания давления), давление в трубопроводной сети начинает непрерывно падать.
Запуск основного насоса: Когда давление опускается ниже установленного порога включения жокей-насоса и продолжает падать, происходит автоматический запуск основного насоса высокого давления, а жокей-насос при этом отключается.
Тушение: Вода под высоким давлением подается к распылителям и превращается в мелкодисперсный туман, ликвидируя очаг возгорания.

Номинальный расход (L/min) | 154 | 308 | 462 | 616 | 770 | 924 | 1078 |
Номинальное рабочее давление | 13MPa | ||||||
Номинальный расход одного насосного агрегата | 154L/min | ||||||
Номинальная мощность двигателя одного насосного агрегата | 37kW | ||||||
Рабочее электропитание | AC 380V,50 Hz | ||||||
Способ активации | Стеклянная колба с фиксированной температурой 57 °C или 68 °C | ||||||
Температура окружающей среды при эксплуатации | 4~50℃ | ||||||
Закрытая система тонкораспыленной воды высокого давления особенно эффективна для защиты объектов с четкими перегородками, высокой плотностью оборудования или там, где требуется локальная адресная защита:
Библиотеки и архивы: локальная защита зон со стеллажами высокой плотности.
Помещения с медицинским оборудованием: вспомогательная противопожарная защита дорогостоящего оборудования, такого как МРТ.
Чистые помещения и лаборатории: защита специфического технологического оборудования с исключением масштабного загрязнения всей зоны.
Офисные помещения: рабочие зоны, коридоры, вестибюли и холлы.
Подводя итог, можно сказать, что для защиты закрытых или полузакрытых пространств с локализованными пожарными рисками, где требуется точное и высокоэффективное реагирование, а также существует чувствительность к повреждению водой и перерывам в работе, автоматическая установка пожаротушения тонкораспыленной водой высокого давления (закрытого типа) является одним из наиболее предпочтительных решений.
Вы ищете противопожарное решение, способное справиться со следующими задачами?
Точечное пожаротушение: исключение ложных срабатываний во всей зоне.
Чувствительность к проливу воды: стремление к «нулевому ущербу» имущества.
Ограниченное пространство: потребность в компактном дизайне оборудования.
Простота обслуживания: высокая надежность при минимальных затратах на сервис.
Международные стандарты: признание и соответствие мировым нормам.
Закрытая система пожаротушения тонкораспыленной водой высокого давления обеспечит вам точную, эффективную, чистую и надежную интеллектуальную противопожарную защиту.
Свяжитесь с нашей международной экспертной группой, чтобы получить индивидуальное решение, адаптированное под ваши конкретные риски, и профессиональную поддержку международных проектов!
Простые шаги для получения индивидуального решения по пожарной безопасности
Tel: +86 132 9740 0000
Email: pavln@pavln.com
Web: www.pavln.ru
VK: VK
Ваш партнер по пожарной безопасности полного цикла. Мы берем на себя все: от концепции и монтажа до долгосрочного обеспечения безопасности.
Другие системы пожаротушения, которые могут вас заинтересовать
Заполните форму ниже, и наша команда свяжется с вами в ближайшее время.
Получите бесплатную консультацию наших специалистов для подбора решения под ваши задачи.